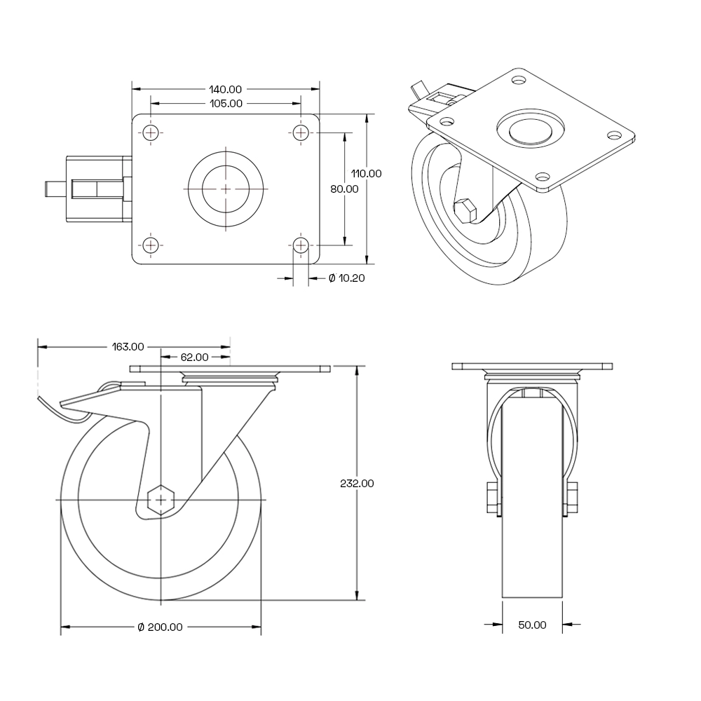
Gummilenkrolle gebremst mit Deckplatte - 200mm - 180kg
Diese Gummi-Lenkrolle mit Bremse hat einen Durchmesser von 200 mm und eine Tragfähigkeit von 180 kg.
Der Reifen dieses Rades ist aus Gummi und der Radkörper aus Kunststoff.
Lesen Sie die vollständige Produktbeschreibung
Diese Gummilenkrolle mit Bremse hat eine obere Platte, mit der das Rad einfach mit 4 Schrauben befestigt werden kann.
Diese gebremste Lenkrolle hat eine doppelte Bremse, was bedeutet, dass sobald das Rad auf der Bremse steht, sowohl das Rad als auch die Drehrichtung blockiert sind.
Unter Verwandte Produkte sehen Sie die Lenk- und Bockrollen, mit denen sich diese gebremste Lenkrolle hervorragend kombinieren lässt, da sie die gleichen Abmessungen haben.
Gummirollen sind bei weitem die wirtschaftlichste Lösung und haben gute Rolleigenschaften auf weniger ebenen Flächen mit möglichen Schwellen (85° Shore A). Die Rollen sind in der Regel verschleißfest, geeignet für Temperaturen von -20°C bis +80°C.





